Il mod. 261 è un termostato a contatto, a taratura fissa, disponibile in varie configurazioni di fissaggio e posizione dei faston.
La gamma di temperatura regolabile spazia da -10°C a +200°C
La tolleranza sulla temperatura nominale è di norma di 3-5°K
Il contatto può avere portata di 10A o 16A.
Il termostato può essere realizzato a riarmo manuale o automatico. Nel primo caso occorre agire sul piolo di riarmo per ripristinare il termostato (funzione di sicurezza), nel secondo il termostato ripristina automaticamente lo stato con un differenziale (isteresi) normalmente variabile tra 7.5 e 15°K; è possibile realizzare differenziali "ampi" (20°K o più), mentre tecnicamente non è possibile ottenere differenziali più bassi di 7-8°K.
A seconda della temperatura di intervento e di altre specifiche, la temperatura massima al corpo del termostato può essere di 130, 175 o 200°C.
Sono disponibili diversi tipi di contatti elettrici: i più comuni sono i faston 6.35x0.8, ma sono disponibili minifaston 4.8, contatti a saldare, contatti da PC board tipo "pin".
Il termostato è omologato dai principali enti di collaudo europei e americani (VDE, UL ecc.)
Sono disponibili contatti dorati a bassa resistività (5ohm)
Le applicazioni sono le più svariate, spaziando dalla regolazione (caldaie, macchine per caffè, saldatrici, essicatrici, consenso di ventilazione di ventilconvettori, funzioni antigelo, termocoppie, generatori di vapore sono solo alcune delle possibilità di impiego) alla sicurezza (controllo fumi, sicurezza generatori di vapore, sicurezza di sovratemperatura friggitrici, forni eccetera).
Consigliamo la visualizzazione a 1024x768 pixel.
![]() |
![]() |
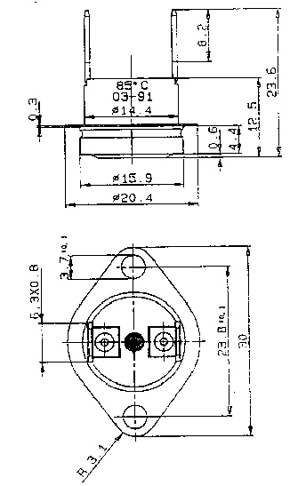
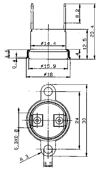
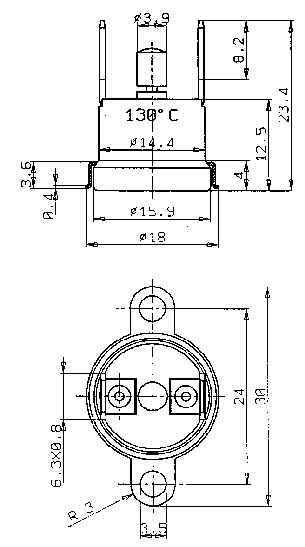
| Ingombri e geometria termostato mod. 261, faston verticali | Ingombri e geometria termostato mod. 261, faston orizzontali |
![]() |
![]() |
| fissaggio con vite M4, lunghezza 6mm, faston verticali | fissaggio con vite M4, lunghezza 6mm, faston orizzontali |
![]() |
![]() |
| staffa di fissaggio mobile a 2 fori (staffa D) | staffa di fissaggio a foro singolo |
![]() |
![]() |
| staffa di fissaggio fissa a 2 fori (staffa B) | staffa di fissaggio a 2 fori con capsula abbassata (staffa A) |
![]() |
![]() |
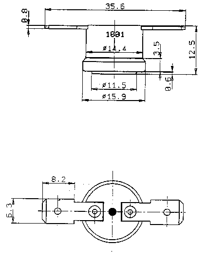
| ingombri piolo di riarmo manuale | connettore CE per termostato 261 a faston verticali |